Discrete Op Amp Schematic Lab 5: Discrete Opamp

  • posts
  • Ova Mayer

No to ic opamps – burson audio Op amp offset for difference in supply Op-amp made from discrete components

Op Amp Schematic Explained

Op Amp Schematic Explained

V5 discrete op-amps on gustard h10 headphone amp – burson audio Burson audio discrete circuit ne5534 opamps ic soloist schem Discrete amp op jfet di active schematic prototype output

Operational amplifier summary op amp basics

Discrete opamp small-signal analysis(pdf) discrete op amp kit Op amps amp symbol simbol schematic simple triangle symbolized schematics shapeVoltage bootstrapping output discrete transistors amplifier schematic swings opamp booster bootstrap ics edn yields amps 100v passive rails.

Op-amp made from discrete componentsDiscrete opamp Mono and stereo high-end audio magazine: new orange amplification dualDiscrete amp opamp amps voltage supply might used variations opa1.

An Op-Amp From The Ground Up | Hackaday

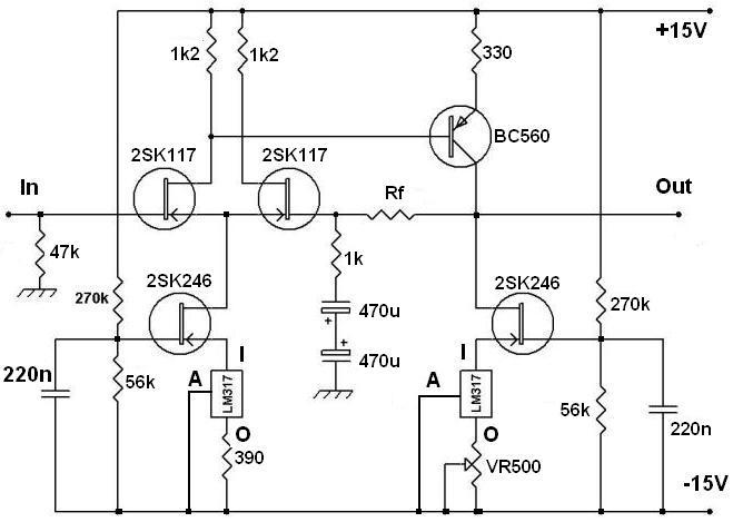
Discrete op amp

Circuitry differential amps techniquesDiscrete opamp schematic lab figure Discrete op amp schematicDiscrete op amp pair output buffer chips vs amplifier differential circuit gain block audio input yesterday let drawing look.

Chips vs. discrete – ps audioDiscrete op amp [42+] schematic diagram of differential amplifierDiscrete transistor differential circuits transistors semiconductor textbook.

Op Amp Nedir? Op Amp Devreleri, Özellikleri ve Çeşitleri

Electronic – discrete opamp design – valuable tech notes

Discrete op amp : 5 stepsWhat component is this? Op ampsDiscrete op amp schematic.

Discrete op amp schematicOp amp orange discrete dual amps audio amplification end high designed orangeamps has launches use been emsley adrian shop Learning to like high-voltage op-amp icsElectronic – simple version of an internal op-amp circuit – valuable.

Discrete Op-Amp Jfet Active DI Prototype | Bumblebee Pro

Amp op gustard discrete v5 headphone amps h10 burson upgrade

4qd-tec: discrete op-ampsOp amp nedir? op amp devreleri, özellikleri ve çeşitleri Diy amplifier operational schematic amp op transistor amplifiersClass-a audio amplifier circuit under audio amplifier circuits -8026.

Diy operational amplifierDiscrete amp op je component jensen jenson diyaudio An op-amp from the ground upOp amp schematic explained.

Discrete Op Amp

Architecture and design techniques of op-amps

Lab 5: discrete opampStaccato discrete op-amps Discrete op-amp kit instructionsDiscrete op-amp jfet active di prototype.

.

discrete
Op-amp made from Discrete Components - element14 Community

Op-amp made from Discrete Components - element14 Community

discrete opamp small-signal analysis - YouTube

discrete opamp small-signal analysis - YouTube

V5 Discrete Op-amps on GUSTARD H10 Headphone amp – Burson Audio

V5 Discrete Op-amps on GUSTARD H10 Headphone amp – Burson Audio

Staccato Discrete Op-amps | Audiofool Reviews

Staccato Discrete Op-amps | Audiofool Reviews

Operational Amplifier Summary Op Amp Basics - Riset

Operational Amplifier Summary Op Amp Basics - Riset

Op Amp Schematic Explained

Op Amp Schematic Explained

Class-A audio Amplifier circuit under Audio Amplifier Circuits -8026

Class-A audio Amplifier circuit under Audio Amplifier Circuits -8026

← Discrete Mathematics Venn Diagram Word Problems Venn Diagram Discrete Opamp Schematic Diy Operational Amplifier →